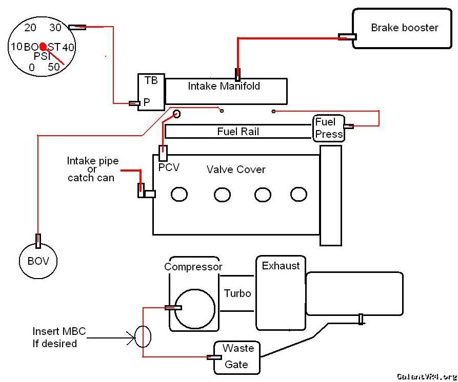
Hey guys, decided to cut back on the vacuum lines. Used the Taboo diagram but I just need a little clarification on a few things.
Trying to figure out what this is. Is it the "Thermal Vacuum Valve"?
Also not 100% what this is
Do I need to cap off the charcoal canister?
Lastly, not 100% what this is. My only guess is the "Fuel Pressure Solenoid"
Trying to figure out what this is. Is it the "Thermal Vacuum Valve"?
Also not 100% what this is
Do I need to cap off the charcoal canister?
Lastly, not 100% what this is. My only guess is the "Fuel Pressure Solenoid"











