citymunky
Well-known member
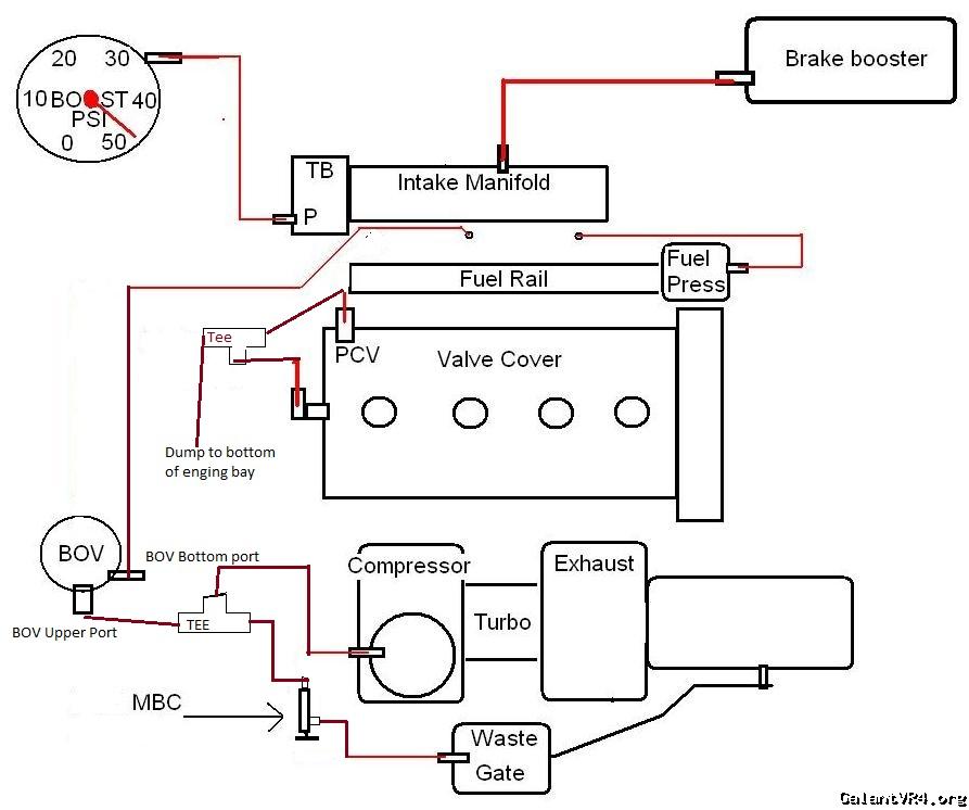
So I'm the new owner of 923/2000, and I wanted to know if my vacuum hose were routed correctly. I would post this in the "Newbies" section, but I don't think this a noob question. I searched the forum and found some good threads with good info, but nothing to 100% answer my question. What makes my setup different than the ones I read about is that my Stock BOV has 2 ports like this --> BOV Hi-Boost mod.. Here a diagram on how the vacuum hoses are routed in my engine bay. The two ports just throw me off, along with the Tee between the BOV and Wastegate. So what do guys think?
The reason I'm asking is because I don't think my Joe P MBC is working. No matter how much I adjust it, I always hit 1.5 (21.7 PSI) to 1.8 BAR (26.1) of boost. I was told I have a 1 BAR (14.5 PSI) wastegate. I removed the MBC and adjusted to the point were I could blow air from the bottom port out of the side port and Readjusted to just past the point were I couldn't blow anymore air out the side and reinstalled it. My GVR4 is the first car I have with a MBC, on my G35 I have a HKS EVC VI controlling 5.5 PSI springs. I'm thinking about installing a EVC IV or Profec B II very soon on the GVR4.
The reason I'm asking is because I don't think my Joe P MBC is working. No matter how much I adjust it, I always hit 1.5 (21.7 PSI) to 1.8 BAR (26.1) of boost. I was told I have a 1 BAR (14.5 PSI) wastegate. I removed the MBC and adjusted to the point were I could blow air from the bottom port out of the side port and Readjusted to just past the point were I couldn't blow anymore air out the side and reinstalled it. My GVR4 is the first car I have with a MBC, on my G35 I have a HKS EVC VI controlling 5.5 PSI springs. I'm thinking about installing a EVC IV or Profec B II very soon on the GVR4.











