The Top Mitsubishi Galant VR-4 Resource

Join the best E39A 1991-1992 Mitsubishi Galant VR-4 community and document your GVR4 journey. Login to browse without most ads.

ETACS pin outs

Spyke169

Well-known member
Joined
Aug 17, 2005
Messages
324
Location
Greenfield, Wi
Does anyone know what the pin outs are on the etacs? I'm having a problem with it intermitantly working and would like to check power and ground at the etacs.

Thanks,
-Nick
 

Spyke169

Well-known member
Joined
Aug 17, 2005
Messages
324
Location
Greenfield, Wi
The software in mitsubishi's system doesn't go back that far. My dealership doesn't have a hard copy book that old either...
 

Spyke169

Well-known member
Joined
Aug 17, 2005
Messages
324
Location
Greenfield, Wi
Found another dealership that has a fsm. I will photocopy and scan the etacs pin outs when I get it from them. Anything else anyone needs from the fsm?
 

iceman69510

Turn Right Racing
Staff member
Joined
Mar 5, 2001
Messages
10,999
Location
Michigan
Tell them to buy them. they are still available.

Which dealer do you work for? Russ Darrow?
 

cspetros

Well-known member
Joined
Jul 19, 2008
Messages
512
Location
Port Norfolk, VA
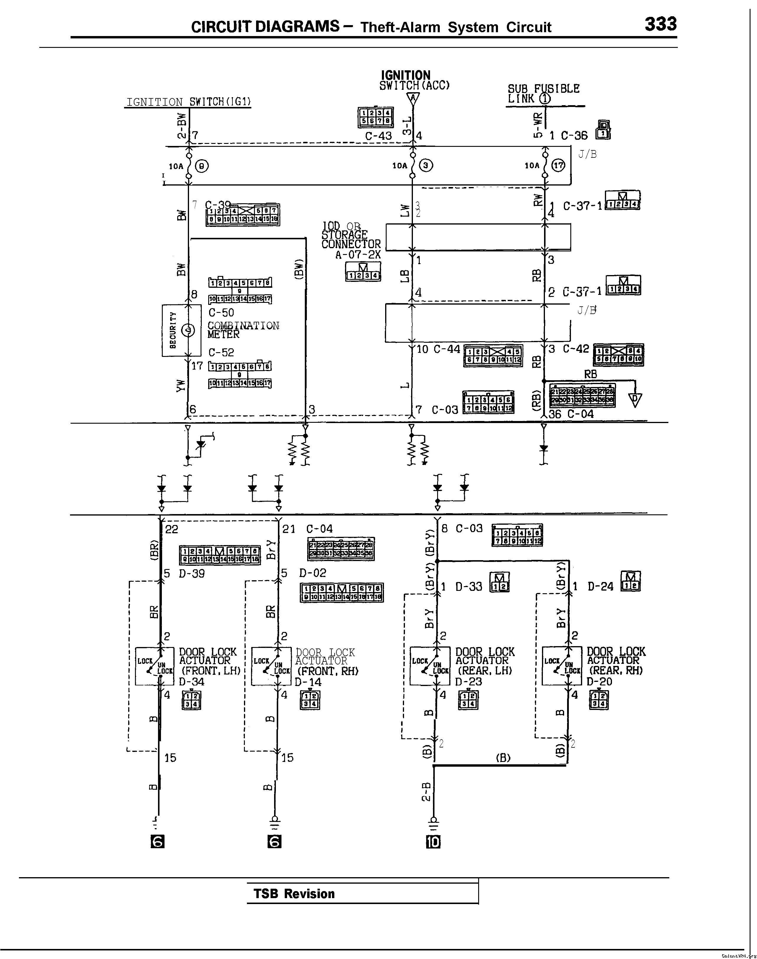
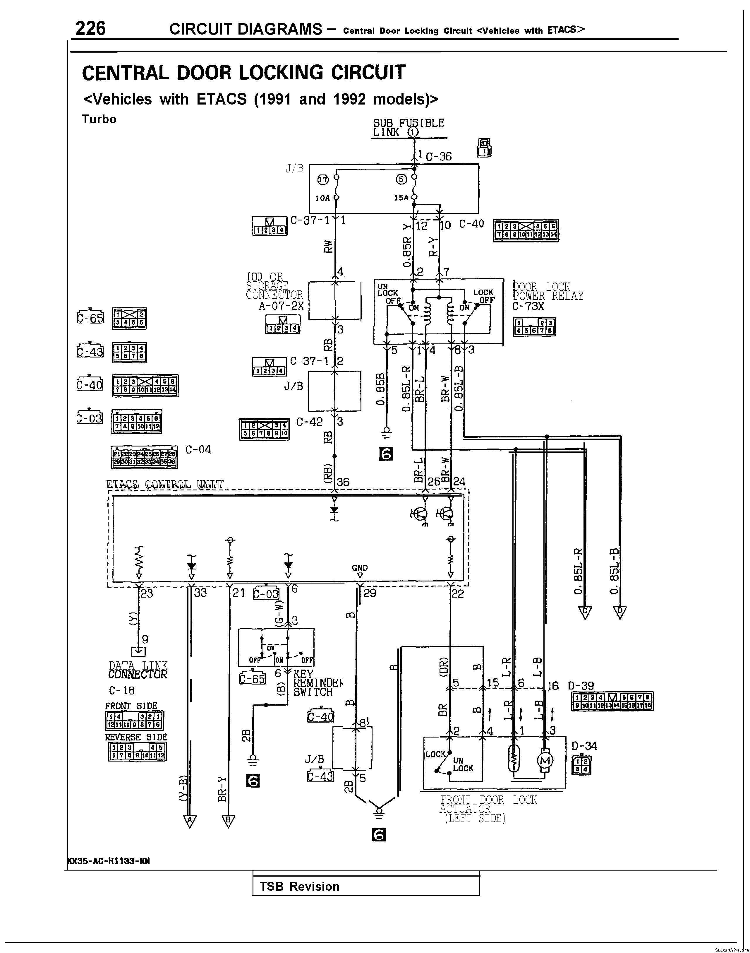
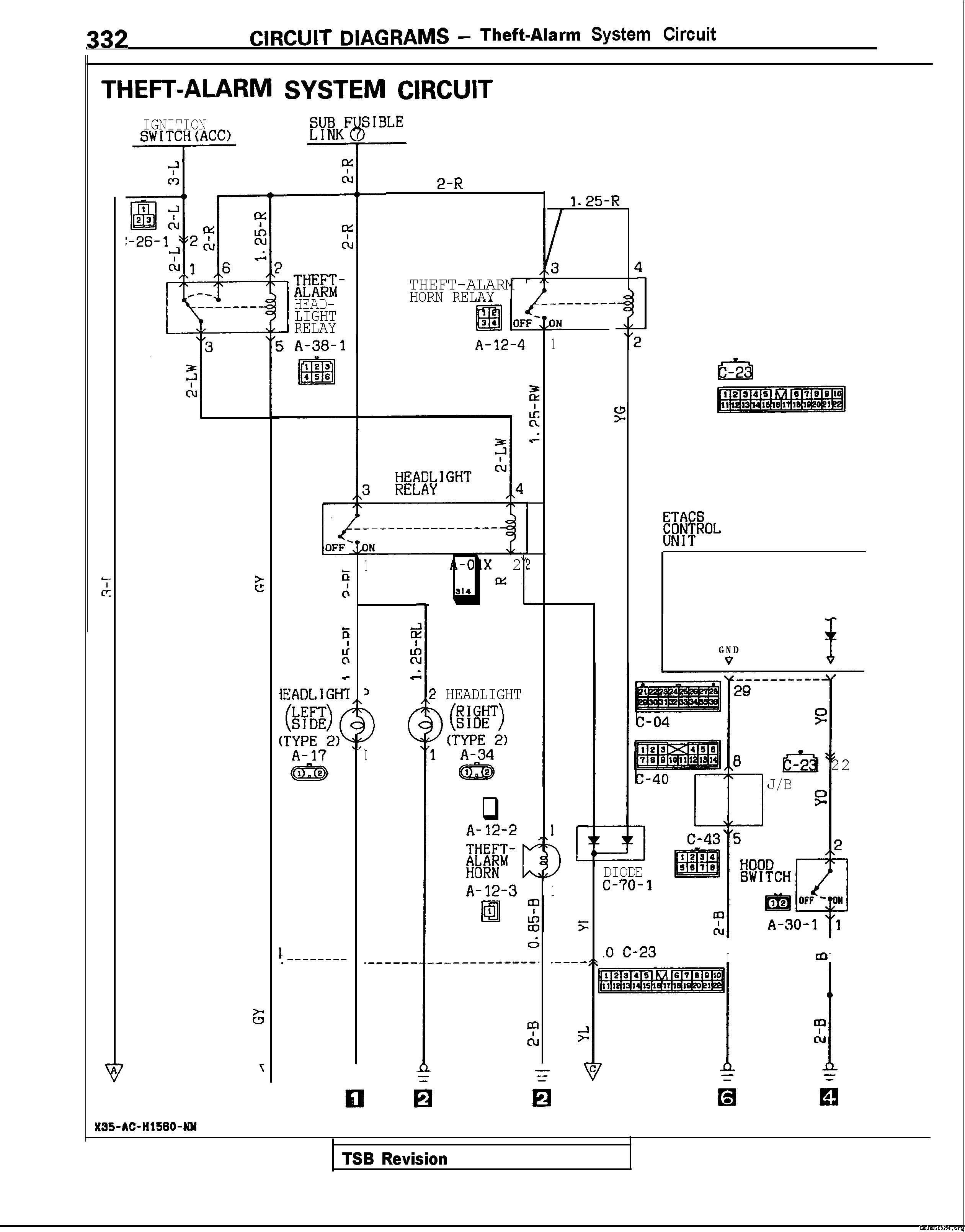
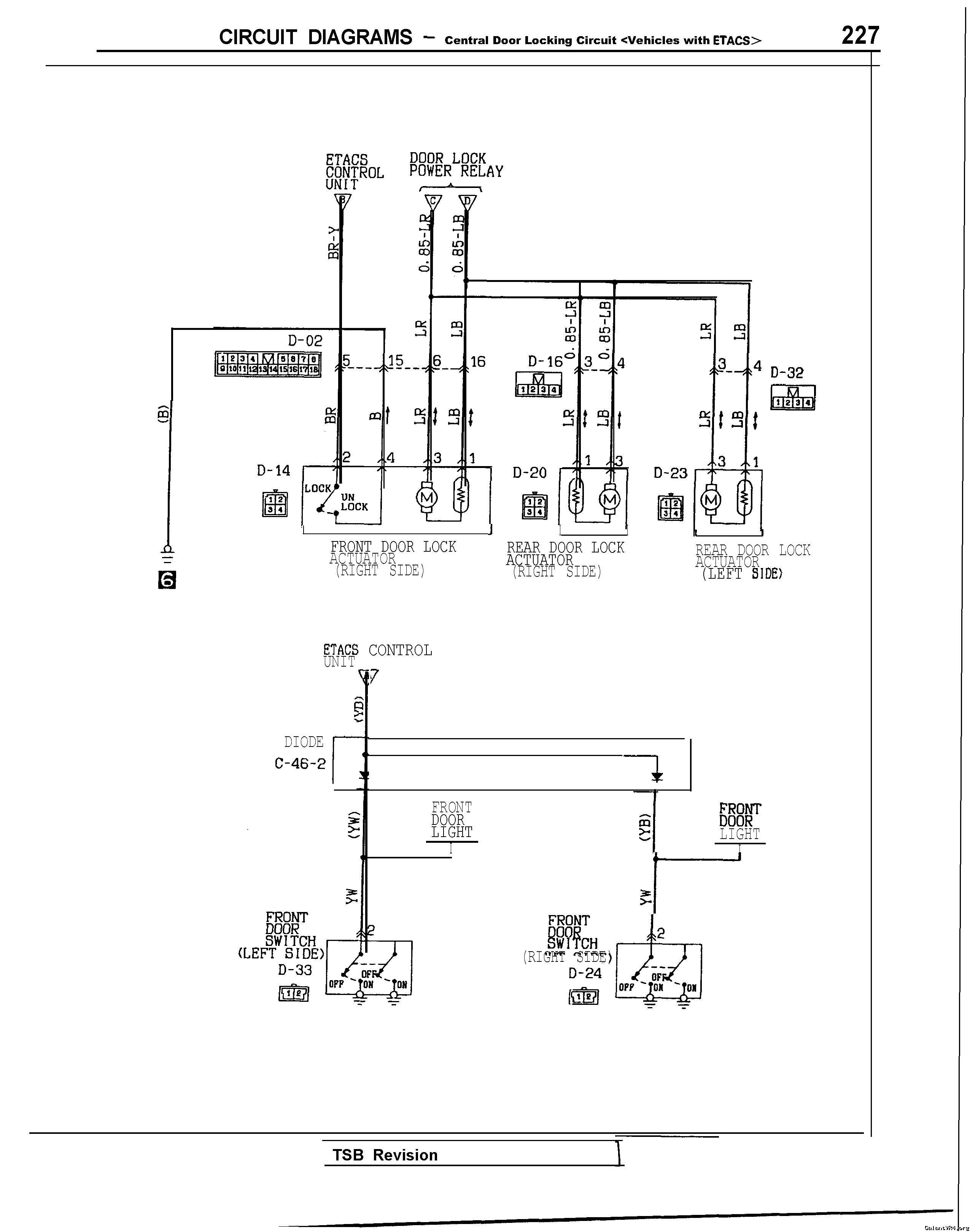
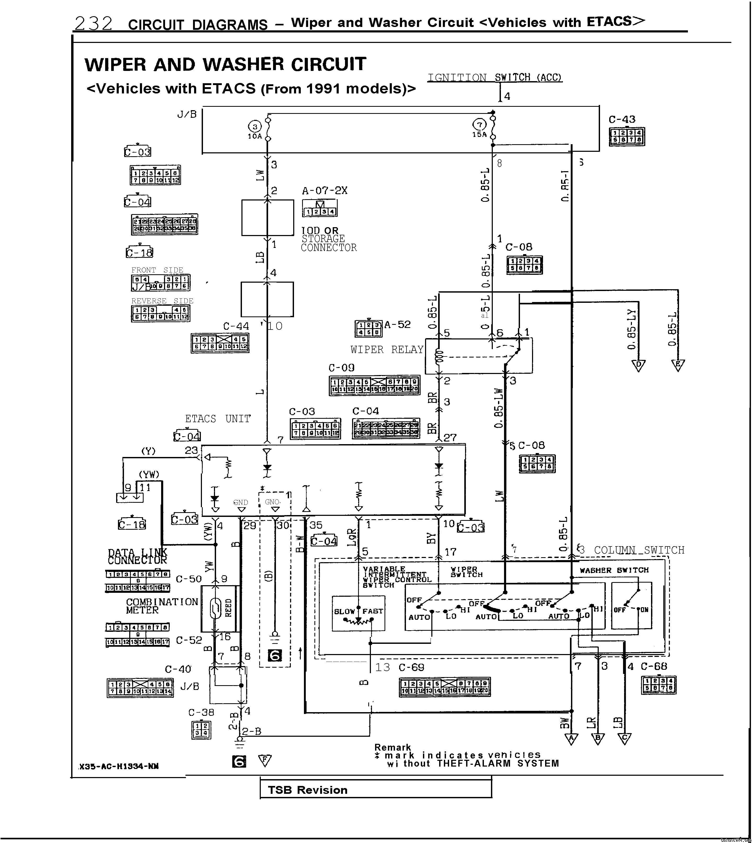
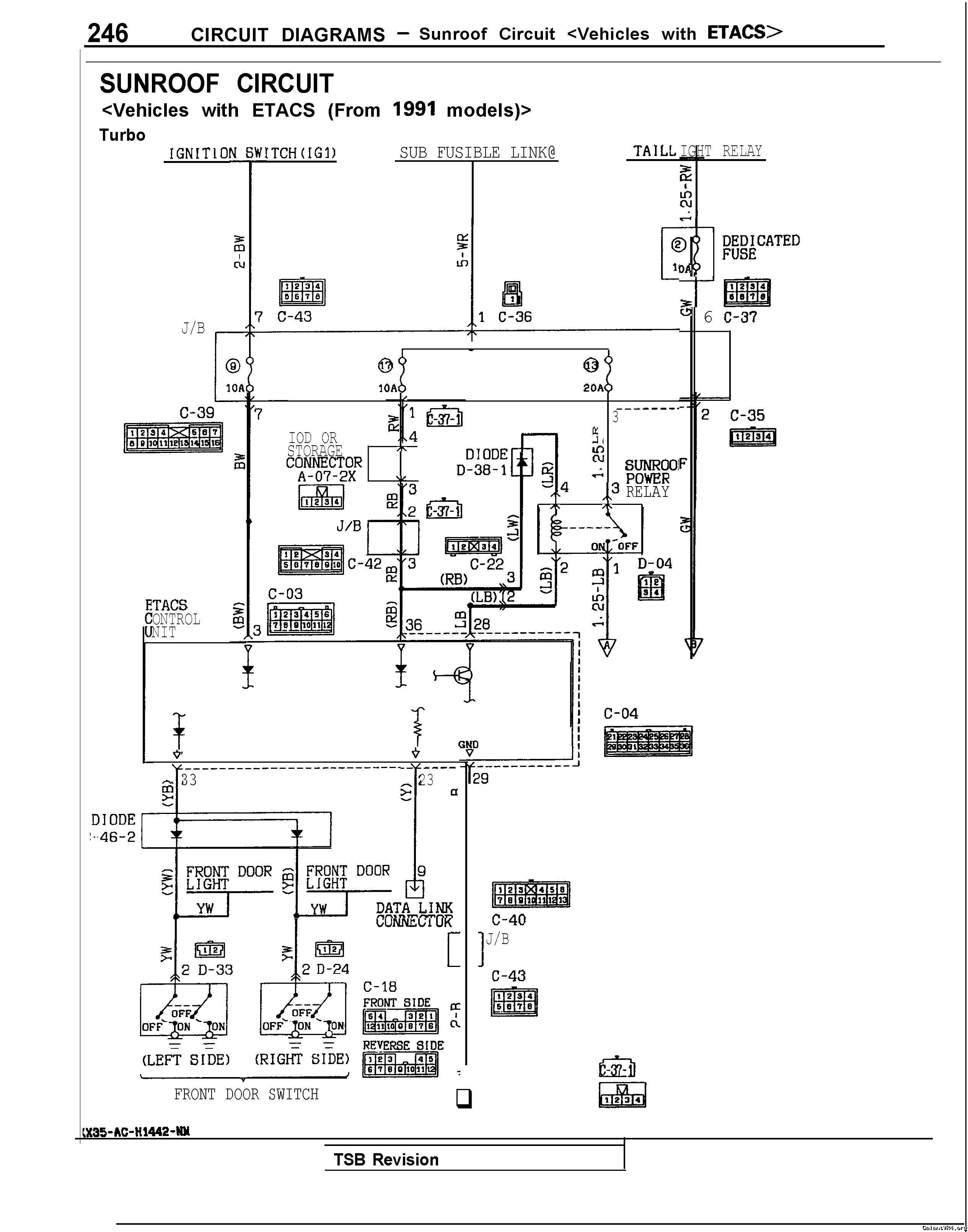
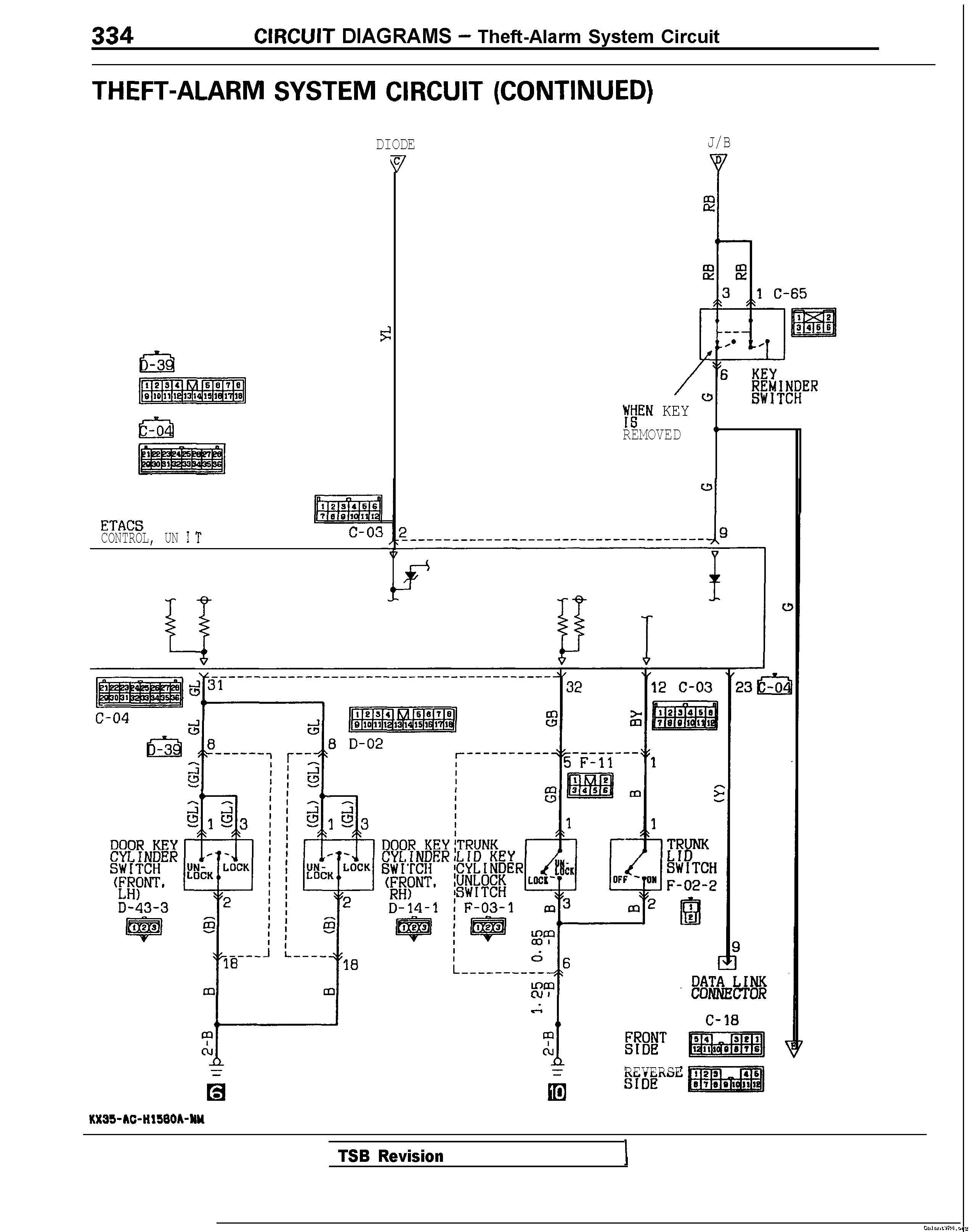
The second volume "Body and Electrical" of the factory service manual (can be found here: Vol.2 B&E) does not refer to the ETACS control unit specifically. It is only mentioned in the diagrams of the various subsystem's that it controls (intermittant wipers, door locks, etc.). The pinouts for the ETACS control unit can be found by looking at the circuit diagrams of each of these subsystems. The control unit also has a pin on the diagnostic port to use for troubleshooting (the manual says power windows, but it may work for the other things, too):

Here is the rest of it. Hope it helps /ubbthreads/images/graemlins/smile.gif

Door lock circuit---------------------------------------------------------------Wiper circuit---------------------------Sunroof circuit

Alarm circuit
 
Support Vendors who Support the GVR-4 Community
Boosted Fabrication ECM Tuning ExtremePSI Fuel Injector Clinic Jacks Transmissions JNZ Tuning Kiggly Racing Morrison Fabrications RixRacing RockAuto RTM Racing STM Tuned

Recent Forum Posts

Recent Classifieds Listings

Top