Terry Posten
Well-known member
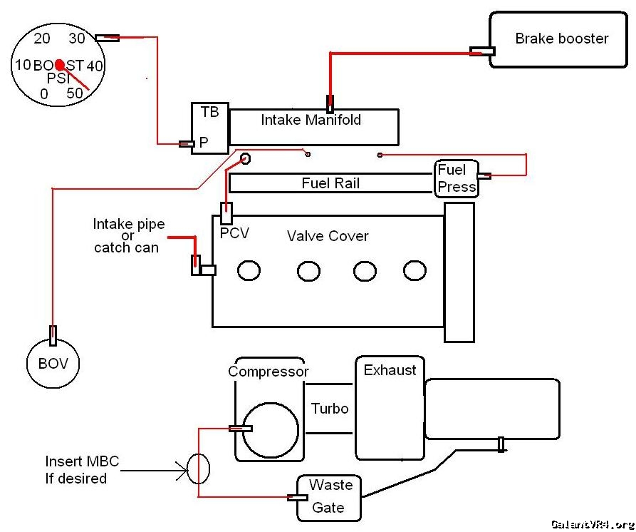
Yes, that is it.
Unless you need to meet emmission laws (suckers), do this.
You want to keep the PCV valve in the valve cover and leave it routed into the intake (stock).
You want to keep the large vac line from intake to brake booster (stock).
Remove every other piece of vac tubing under the hood.
Route a new hose from the vent port on the valve cover to:
a - into stock rubber intake tube (stock).
b - into a new oil catch can located somewhere in the passenger side finder well.
Route a new hose from the turbo output (compressor) nipple source straight to the wastegate unless you want to put a boost controller inline.
Route a new hose from the middle (small) port on the top of the intake manifold directly to the blow-off-valve.
Route a new hose from the driverside (small) port on the top of the intake manifold directly to the fuel regulator.
Route your boost gauge hose to the "P" port on the top of the throttlebody.
Remove all other solinoids, filters, misc crap that is left over.
Unless you need to meet emmission laws (suckers), do this.
You want to keep the PCV valve in the valve cover and leave it routed into the intake (stock).
You want to keep the large vac line from intake to brake booster (stock).
Remove every other piece of vac tubing under the hood.
Route a new hose from the vent port on the valve cover to:
a - into stock rubber intake tube (stock).
b - into a new oil catch can located somewhere in the passenger side finder well.
Route a new hose from the turbo output (compressor) nipple source straight to the wastegate unless you want to put a boost controller inline.
Route a new hose from the middle (small) port on the top of the intake manifold directly to the blow-off-valve.
Route a new hose from the driverside (small) port on the top of the intake manifold directly to the fuel regulator.
Route your boost gauge hose to the "P" port on the top of the throttlebody.
Remove all other solinoids, filters, misc crap that is left over.











