The Top Mitsubishi Galant VR-4 Resource

Join the best E39A 1991-1992 Mitsubishi Galant VR-4 community and document your GVR4 journey. Login to browse without most ads.

help doing engine swap in my '92 eagle 2000 GTX ('92 Galant)

91GSR

Well-known member
Joined
Sep 10, 2008
Messages
728
Location
Newport News, VA
u need to find urself a better grill too lol. that way u can at least pretend to be a true mitsu instead of an eagle
 

cspetros

Well-known member
Joined
Jul 19, 2008
Messages
512
Location
Port Norfolk, VA
I also think you might like the look of the car with a spoiler on the back /ubbthreads/images/graemlins/smile.gif. I doubt that you will be able to find a spoiler in that shade of red though.
 

91GSR

Well-known member
Joined
Sep 10, 2008
Messages
728
Location
Newport News, VA
ive got the spoiler from my GSR laying around. i will sell it cheap and u can just look up the color code somewhere. sound like a deal? loli used ot have a couple grills lying around, but now i only have two, one is being hung on my wall as a reminder of my wreck in my GSR /ubbthreads/images/graemlins/frown.gif the other has to go on my vr4.
 

Woosky117

Well-known member
Joined
Apr 28, 2009
Messages
192
Location
Lacombe, Alberta
well guys, im back.
and im gonna be working again on my car tomorrow morning.
my stay down in maine was awesome!

as for the asthetics of the car, ill be sticking with what i have right now.
dont have the cash to get anything more right now.

well anyway, ttyt!
 

Woosky117

Well-known member
Joined
Apr 28, 2009
Messages
192
Location
Lacombe, Alberta
/ubbthreads/images/graemlins/smile.gifok, so here's the rad.
and a realy newb question. since it doesnt have a rad cap, how do i get the coolant in? /ubbthreads/images/graemlins/confused.gif


and here are some of the wiring questions.
what is that big round thing in the middle of the pic, and why does the wiring harness i bought, not have a connection for it? the wire thats in there right now, is the one that was hacked off the old harness.
how would i even splice that in when entire section of wire does not exist on my wiring harness?


if you guys could please help and explain, that would be awesome.
thanks guys.
 

cspetros

Well-known member
Joined
Jul 19, 2008
Messages
512
Location
Port Norfolk, VA
Hey Woosky,

The radiator looks like one from a DSM (Talon, Eclipse, Laser). The DSMs had the filling cap on the top half of the thermostat housing instead of the radiator itself. See the below picture:


According to a few threads on the board, you will need the DSM "waterneck", which is the top half of the t-stat housing with the cap. Evidently it will bolt up in place of the one without the rad cap. Did the person you bought it from tell you this was from a 1g/DSM? They should have if they didn't. One other thing about using DSM radiators is that they are slightly shorter that the stock radiator, which means that you'll have to figure out a way to interface it with the stock Rad. mounts. I think someone used screws in the top 2 pegs to extend up to the top mounts. Another member's input would be nice here /ubbthreads/images/graemlins/grin.gif. I would post up a WTB for the housing piece, as the TELs are not rare.

The big round thing in the center of your picture is the Camshaft/Crankshaft Angle (position) Sensor (CAS). It tells the ECU where the engine is "at" as it rotates, and is very important. The ECU uses this when pulsing the injectors and igniting the spark plugs.

Two types of CAS exist (for this purpose at least): the 1990 type, and the 1991-and-later type. Depending on the model year of the wiring harness you bought, the CAS harness connector will have one of two plug types.

If the harness is a 1990 year harness (I suspect yours is), the CAS harness plug will look like this:

The 1990 CAS has wires coming out of it to connect with the harness:


If the wiring harness is a 1991-and-later harness, the CAS harness plug looks like this:

The 1991 CAS has a connector built into it, instead of wires running from it to a connector.

You probably have a 1990 wiring harness, and a 1991-and-later CAS(the one in your picture is). If this is the case, you will need to splice the new wiring harness. One good thing about your car being a 1992 model (and you've discovered this already, according to your picture) is that your old SOHC wiring harness will have a matching CAS connector (the 1991-and-later type). Cut the connector from the old wiring harness with a few extra inches of wire, and you can splice it up to the new wiring harness by finding the 1990 style plug (it's there somewhere hopefully!), and going at it with some solder and electrical tape. I believe the colors match, but I will double-check this. EDIT: According to the circuit diagrams, the wire colors match:

This will make splicing the new harness sensor connector very easy. Post up your questions, and good luck /ubbthreads/images/graemlins/smile.gif!
 
Last edited:

Woosky117

Well-known member
Joined
Apr 28, 2009
Messages
192
Location
Lacombe, Alberta
thank you sooo much for that info!
i have now, already made a purchase on the waterneck, so that should be here sometime next week.
now i found that the fan i had before wont fit, so i need to get one that will fit onto this rad.

there are a couple candidates that i have found so far, but i will also put out a WTB.

heres a dumb question....where are the wires to hook up the starter, and what do they look like.
i have no idea where they are, and where they should plug in on the harness.

oh, and the wires for the cam angle sensor are color coded on the new harness that i have, but not on the hacked out peice that i got off the engine. so ill have to go by number position. shouldnt be too hard. its only 4 wires after all. ill just tape, and number them off.

well, thats it for now i beleive.
more updates tomorrow.
 

cspetros

Well-known member
Joined
Jul 19, 2008
Messages
512
Location
Port Norfolk, VA
Hey,

There are 3 wires that are involved with the starter:


-->One is the HOT wire (Black with red stripe, connected to the + side of the battery, and connects to the bolt/nut on the starter itself (see picture).

-->The solenoid control wire (small, black with yellow stripe, with a plastic connector, connects to the starter itself, right beside where the hot wire goes).

-->The ground wire (large, black with yellow stripe, slides over topmost starter mounting bolt that goes through the transmission bell housing). This is how the starter grounds. (You can barely see this wire on the leftmost side of the picture. The portion on the lower right of the pic connects to a chassis ground next to the battery)

The portion of the wiring harness with the starter wires comes from the battery side of the engine bay. If you look for the two large hot and ground wires you can't miss it.

Be SURE to disconnect the battery while you're messing with the starter wires. If that hot wire contacts any part of the engine or frame while the battery is connected, it will cause a massive short circuit.

There are a few other connectors lurking around the engine bay. There are 2 connectors under the intake air-can. If they aren't connected, the car will refuse to start /ubbthreads/images/graemlins/smile.gif.

BTW, I mean positive wire when I say HOT wire. It's a habit that I need to break /ubbthreads/images/graemlins/uhh.gif.

When splicing that CAS connector, just look close at those diagrams I posted, and you'll be fine. Just note that the wire numbers are different between the two (see the last pic). Glad to help /ubbthreads/images/graemlins/smile.gif.
 
Last edited:

Woosky117

Well-known member
Joined
Apr 28, 2009
Messages
192
Location
Lacombe, Alberta
thanks for the info.
the funny part is that by the time i got to reading this, i found the wire, and connected it too. exactly as you had described. it was wraped up and around where the battery usualy goes. i guess i put it there a while ago to keep it out of the way. lol
and as for the CAS, you were right. they were color coded, before i was just looking at the wrong connector. there was another one on the harness right beside it that had the same connector, but different colored wires.
the numbers actualy didnt match up, but then i found that there were different thicknesses to the wires, and then also the colors corresponded. so thats all done, and spliced back together, and plugged in.

so i actualy tried starting my car today...... it turns over fine but it would never start.
and i found what i beleive to be the source of the problem.
my clutch peddal feels realy loose.
i have no hydrolic fluid to press in the clutch and release the preasure! /ubbthreads/images/graemlins/banghead.gif

thats the first thing i am buying tomorrow!

i beleive that when that gets filled up, the car should be able to run!
oh the anticipation is killing me /ubbthreads/images/graemlins/devil.gif

ill let you guys know what happens!
 

Woosky117

Well-known member
Joined
Apr 28, 2009
Messages
192
Location
Lacombe, Alberta
this is the wiring job i did yesterday for the CAS


well, the clutch now releases, and still nothing.

this is what the engine bay looks like now.


it seems my spark plugs arent firing.


there is power in the harness, but i have yet to check the coil.
it looks like its just not getting thru.


any suggestions?
what should i be checking for, and if the need arrises, will i have to get a new ignition coil thing?
 

cspetros

Well-known member
Joined
Jul 19, 2008
Messages
512
Location
Port Norfolk, VA
How about fuel getting into the cylinders? Do they smell like gas? If it's a no spark, no fuel situation, then it's not the coil.

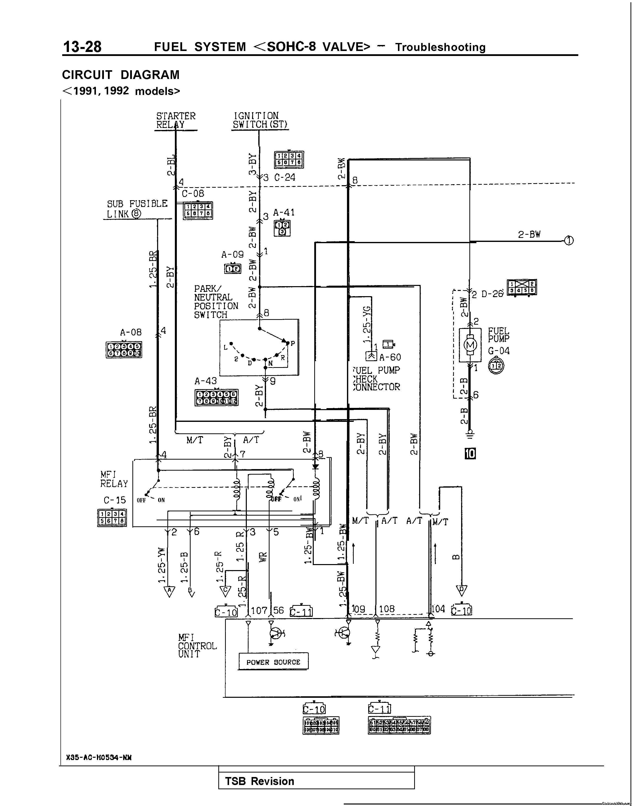
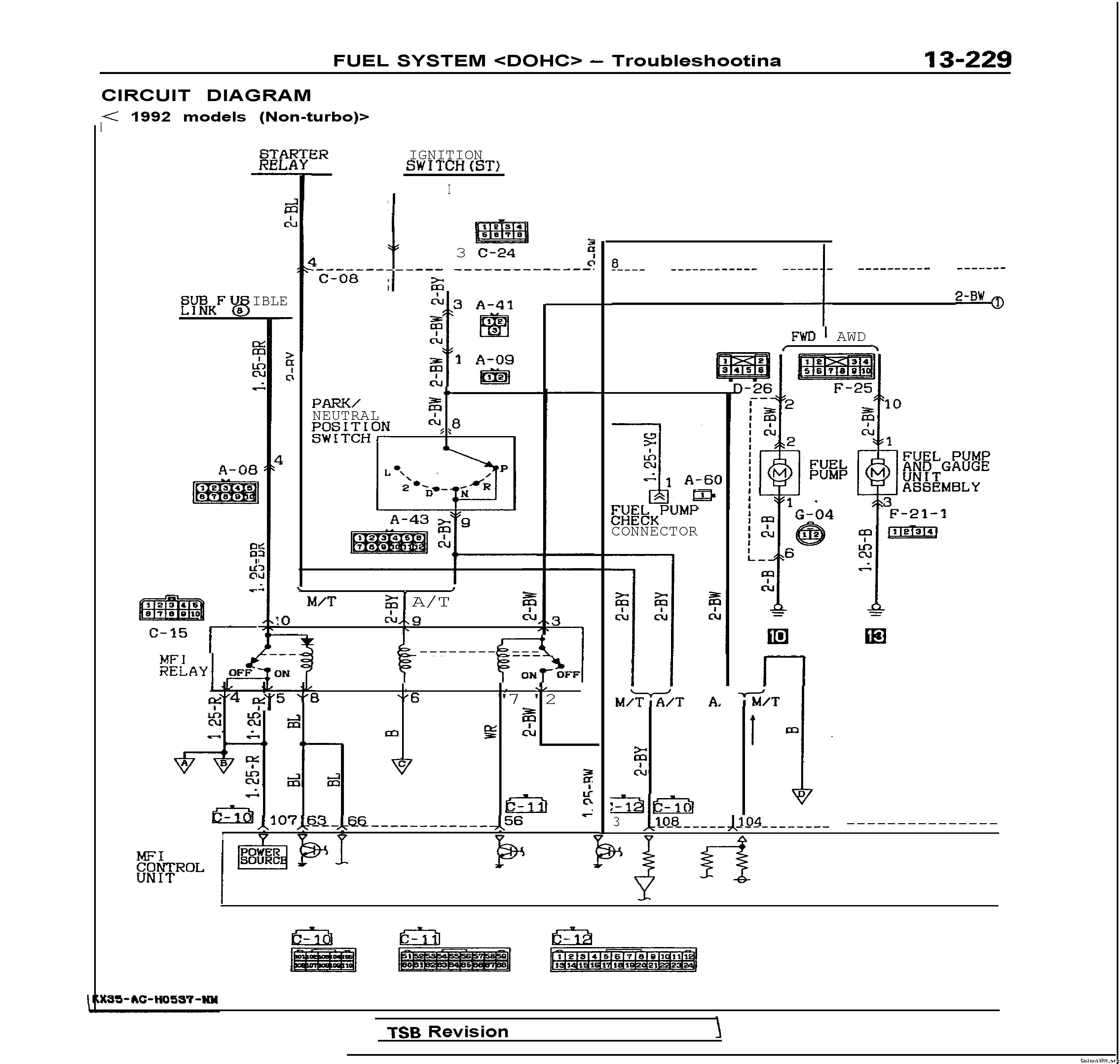
One thing I'm curious about: when you bought the wiring harness, did it come with the MFI Relay for the DOHC engine? The relay is different between the SOHC and DOHC engines. The SOHC version only has 8 pins, while the DOHC version has 10 (meaning that unless you have a DOHC relay, then your new wiring harness is not plugged into the SOHC relay /ubbthreads/images/graemlins/grin.gif). The relay is located up under the dash on the passenger side of the car. The relay supplies power to the ECU, and a bunch of other critical components. When you turn the key to start the car, the relay should make a "click" noise. Also, does the check engine light turn on for 5 seconds when you turn the key to the ON position? If not, this is another sign that the ECU isn't powering up. No ECU = no spark, no fuel. The best way to approach this problem is by testing and eliminating /ubbthreads/images/graemlins/smile.gif. Keep us posted.

Here are the diagrams for each:
SOHC---------------------------------------------------------DOHC

Sorry about the squished looking image.
 
Last edited:

Woosky117

Well-known member
Joined
Apr 28, 2009
Messages
192
Location
Lacombe, Alberta
chris, you are a genious! every time you are bang on.

its not pluged into the MFI relay because the pins are different.

so i just need to buy a MFI relay for a DOHC engine!
/ubbthreads/images/graemlins/grin.gif /ubbthreads/images/graemlins/grin.gif /ubbthreads/images/graemlins/grin.gif /ubbthreads/images/graemlins/grin.gif /ubbthreads/images/graemlins/grin.gif /ubbthreads/images/graemlins/grin.gif /ubbthreads/images/graemlins/grin.gif /ubbthreads/images/graemlins/grin.gif /ubbthreads/images/graemlins/grin.gif /ubbthreads/images/graemlins/grin.gif /ubbthreads/images/graemlins/grin.gif /ubbthreads/images/graemlins/grin.gif /ubbthreads/images/graemlins/grin.gif

thank you sooooo much!
 

cspetros

Well-known member
Joined
Jul 19, 2008
Messages
512
Location
Port Norfolk, VA
No problem /ubbthreads/images/graemlins/hsugh.gif. I'm no genius. I just read the service manual a lot /ubbthreads/images/graemlins/grin.gif. I hope that someone responds to your WTB for that relay. It should be a relatively common item, with all the partouts going on lately.
 
Last edited:

Woosky117

Well-known member
Joined
Apr 28, 2009
Messages
192
Location
Lacombe, Alberta
well, i got a couple hits, still waiting on some solid results.
also looking on some solid results for the rad fan too.

all i got done today was drilling out a few of the bolts, and replacing them. nothing to special.
im expecting the waterneck sometime this week tho.

ill keep you guys posted as i find the parts, adn as they come in. /ubbthreads/images/graemlins/wink.gif
 

Woosky117

Well-known member
Joined
Apr 28, 2009
Messages
192
Location
Lacombe, Alberta
just a question, will an MFI relay from a '90 turbo work on my '92 n/t?

is it just that it has to be a 10 pin?, or is it even more engine specific?

thanks.

ive got a bunch of hits, but nobody is giving me a solid YES and a price. /ubbthreads/images/graemlins/banghead.gif
this is important guys! i want this asap! i will even pay the overnight shipping!
you can understand my frustration, because i beleive this is the only thing standing in the may of my engine roaring to life! /ubbthreads/images/graemlins/devil.gif all this waiting is killing me!
 

cspetros

Well-known member
Joined
Jul 19, 2008
Messages
512
Location
Port Norfolk, VA
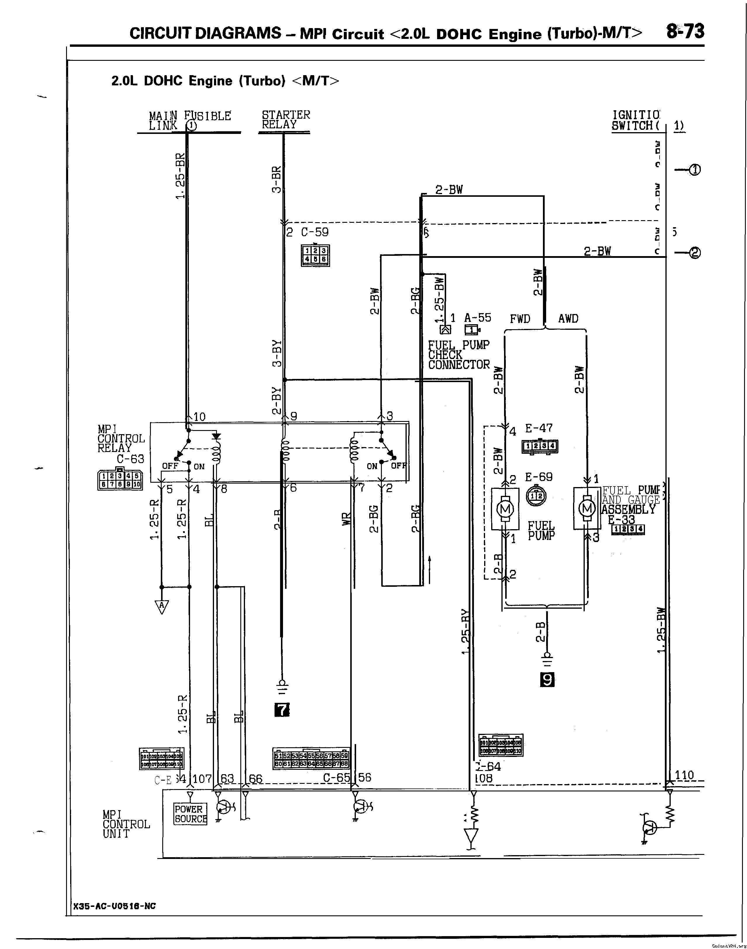
As in a '90 DSM Turbo /ubbthreads/images/graemlins/smile.gif?.

They are one and the same, according to the circuit diagrams:

TEL DOHC Turbo "MPI" Relay

(Image taken from the TEL service manual, which looks VERY similar to the Galant manual)
Galant DOHC n/t MFI Relay


Patience, grasshopper /ubbthreads/images/graemlins/grin.gif.
 
Last edited:

Woosky117

Well-known member
Joined
Apr 28, 2009
Messages
192
Location
Lacombe, Alberta
yes, as in a '90 DSM Turbo. /ubbthreads/images/graemlins/wink.gif

thanks for the info. i might just have one from mmc gsx.

ill probably know by tomorrow morning.
 
Support Vendors who Support the GVR-4 Community
Boosted Fabrication ECM Tuning ExtremePSI Fuel Injector Clinic Jacks Transmissions JNZ Tuning Kiggly Racing Morrison Fabrications RixRacing RockAuto RTM Racing STM Tuned

Recent Forum Posts

Recent Classifieds Listings

Top