THEKID
Well-known member
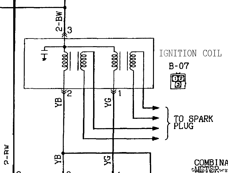
so i bought a coil on plug setup from garfield wright and after many failed attempts maby someone else can help me what i need to know is. i am going to be running a cdi so i need to rewire the coils and i need to know which wire is positive and which is negatine on the coil itself the coils he uses in his cop kit are from an intrepid. i asked him and he sent me this.
that dosent tell me what i need to know. somebody please help me!!
that dosent tell me what i need to know. somebody please help me!!










