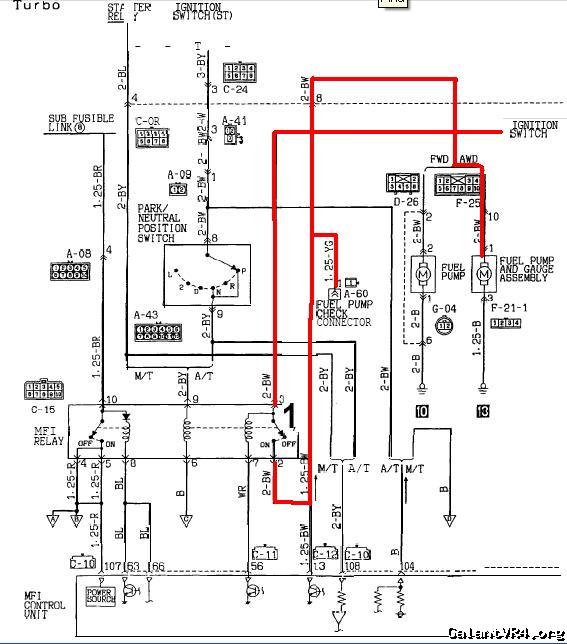
Hey guys I have a problem with my aus spec vr4 which is causing my car not to start. It appears that the fuel pump is not receiving enough voltage and when tested with the multi-meter it was only receiving about 6 volts. To check that this was the problem we supplied power directly from the battery to the fuel pump and then successfully started it. The annoying thing is that it is an intermittant problem as sometimes it will start fine, other times it might start breifly then cut out or other times it wont start at all. I have tried the fuel pump rewire that is on vfaq but to no avail. Would the relay still need a strong enough signal from the car for it to function properly? I have also tried replacing the ECU.
Sorry im not overally good with cars but any help or ideas would be greatly appreciated.
Cheers
Sorry im not overally good with cars but any help or ideas would be greatly appreciated.
Cheers










