The Top Mitsubishi Galant VR-4 Resource

Join the best E39A 1991-1992 Mitsubishi Galant VR-4 community and document your GVR4 journey. Login to browse without most ads.

Dash Indicator Light Question

EMX5636

Well-known member
Joined
Jun 28, 2008
Messages
1,631
Location
Bucks County, PA
I don't have a manual around right now, but I was wondering if anyone knew off the top of their head. Is the indicator light in the cluster for the Cruise Control a ground actuated or power switched on?
 

ktmrider

Well-known member
Joined
Sep 10, 2007
Messages
3,128
Location
Tempe, AZ
I can tell you mine does not illuminate until you actually engage the cruise itself.

There is an amber LED power indicator in the stalk when you rotate the knob to activate.
 

EMX5636

Well-known member
Joined
Jun 28, 2008
Messages
1,631
Location
Bucks County, PA
Sorry, I'm not going to be using it stock. (should have specified) I want to have it turn on when my meth sprays, but I didn't know if I needed to apply power to the signal wire, or ground.
 

EMX5636

Well-known member
Joined
Jun 28, 2008
Messages
1,631
Location
Bucks County, PA
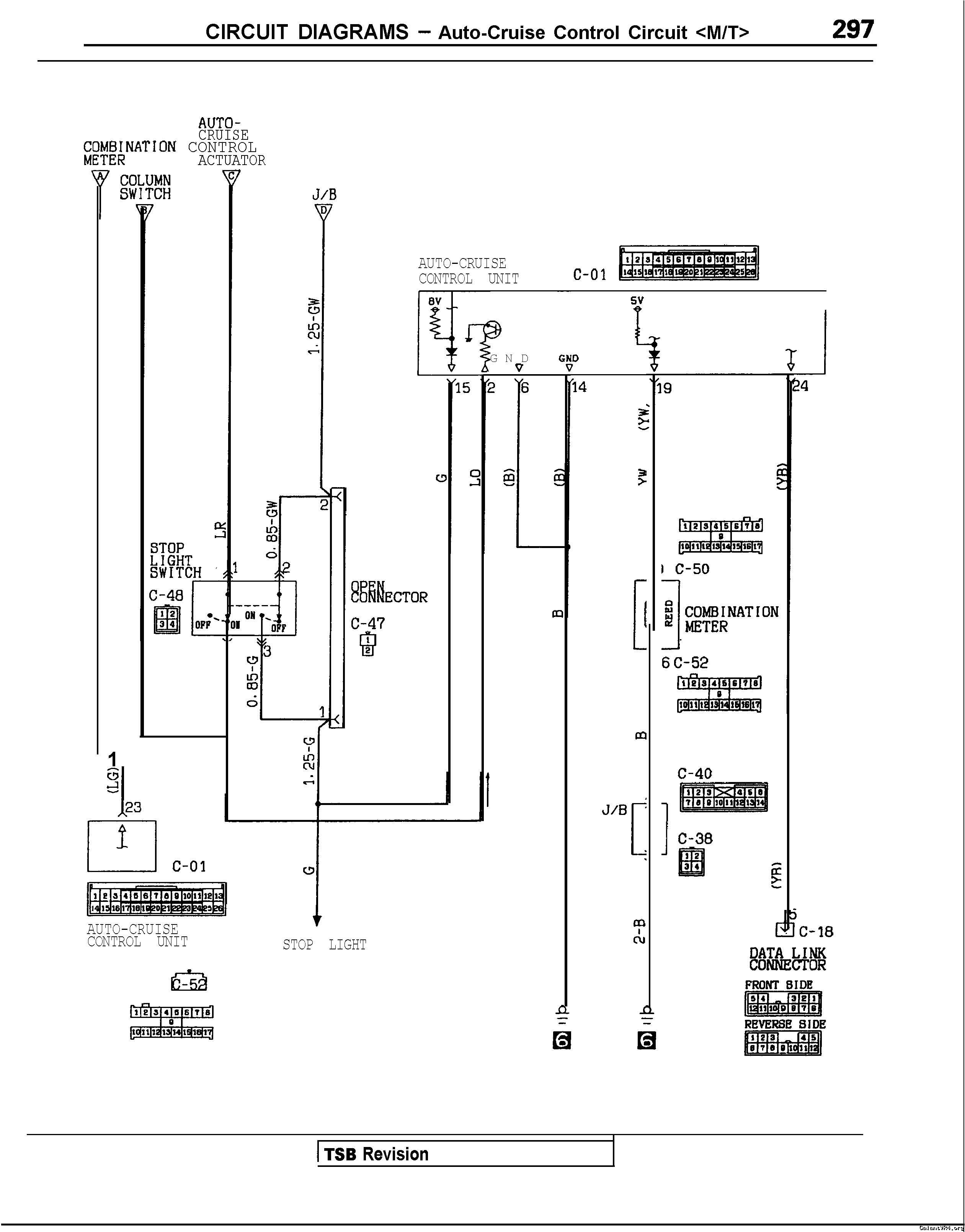
Exactly what I needed, thank you! After looking at the diagram, it appears I have to supply a switched ground.
 

EMX5636

Well-known member
Joined
Jun 28, 2008
Messages
1,631
Location
Bucks County, PA
Well I finally got around to doing this, and it works great. ECM controlled ground output from DSMLink tapped into the cruise indicator wire. as soon as the pump turns on, the light comes on. Thanks for the diagram!
 

EMX5636

Well-known member
Joined
Jun 28, 2008
Messages
1,631
Location
Bucks County, PA
I also found out something interesting about the cruise. Apparently it's turned on for ~5sec after the key is turned off. I'm digging through now to find out how to disable that.
 

EMX5636

Well-known member
Joined
Jun 28, 2008
Messages
1,631
Location
Bucks County, PA
Might not be the cruise... Does anyone (and calling keydiver) know if the ECU triggers the FPS output after the key is turned off until the MPI relay shuts down?
 
Support Vendors who Support the GVR-4 Community
Boosted Fabrication ECM Tuning ExtremePSI Fuel Injector Clinic Jacks Transmissions JNZ Tuning Kiggly Racing Morrison Fabrications RixRacing RockAuto RTM Racing STM Tuned

Recent Forum Posts

Top