The Top Mitsubishi Galant VR-4 Resource

Join the best E39A 1991-1992 Mitsubishi Galant VR-4 community and document your GVR4 journey. Login to browse without most ads.

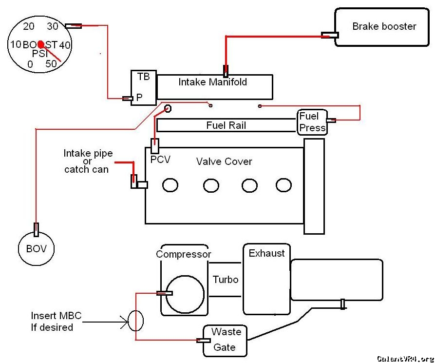
Cap Throttle Body Lines?

Terry Posten

Well-known member
Joined
Dec 16, 2003
Messages
9,009
Location
Davenport, Iowa USA
This is what I did.




But I did "tee" the fuel preesure regulator and install the boost gauge at that point to free up the TB ports all together.

I then took 4 vac caps and filled them with JDWeld and capped them off. Let sit overnight to cure and you will never have a leak again at those ports.
 

turbowop

Well-known member
Joined
Apr 29, 2001
Messages
11,991
Location
Yakima, WA
Yes, but I would suggest finding ones made from vinyl, rather than rubber. Rubber ones tend to crack from engine bay heat over time and can create vac/boost leaks.
 

Terry Posten

Well-known member
Joined
Dec 16, 2003
Messages
9,009
Location
Davenport, Iowa USA
Wops right. If you get the wrong ones, they will crack in a few months.

The problem I had was I kept blowing them off. /ubbthreads/images/graemlins/grin.gif
 
Support Vendors who Support the GVR-4 Community
Boosted Fabrication ECM Tuning ExtremePSI Fuel Injector Clinic Jacks Transmissions JNZ Tuning Kiggly Racing Morrison Fabrications RixRacing RockAuto RTM Racing STM Tuned

Recent Forum Posts

Recent Classifieds Listings

Top