socalgvr4
Well-known member
I pulled the throttle body of my other 4g63t today,
and needed to know a couple of things.
1) If i use a FIAV bypass plate...do I STILL need to run the water lines through the TB?
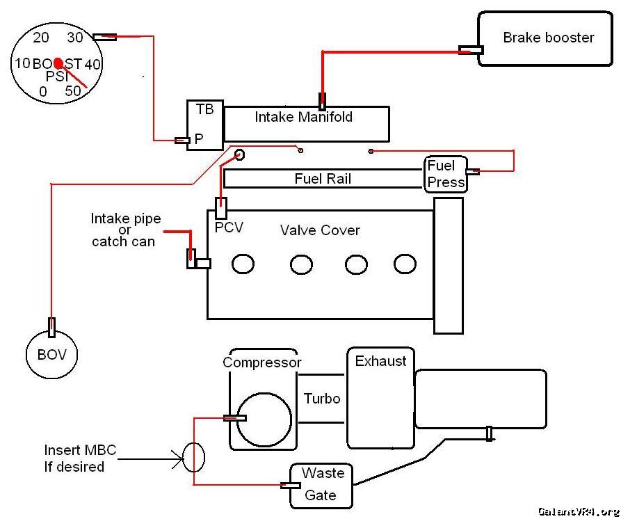
2) EGR -- If i block it, the total number of vacuum lines going to it is effectively 0 which fine...does anyone have a vacuum diagram of an eliminated EGR?
3) The thermo-valve -- can i block this or does it still need an input from the throttle body?
and needed to know a couple of things.
1) If i use a FIAV bypass plate...do I STILL need to run the water lines through the TB?
2) EGR -- If i block it, the total number of vacuum lines going to it is effectively 0 which fine...does anyone have a vacuum diagram of an eliminated EGR?
3) The thermo-valve -- can i block this or does it still need an input from the throttle body?











