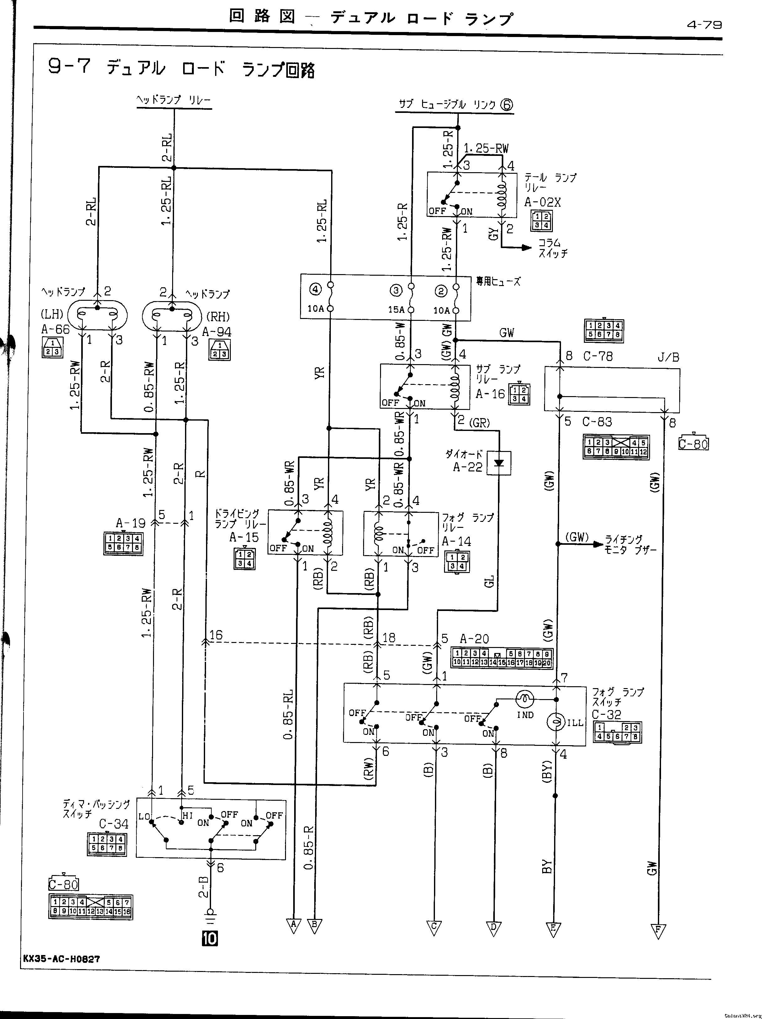
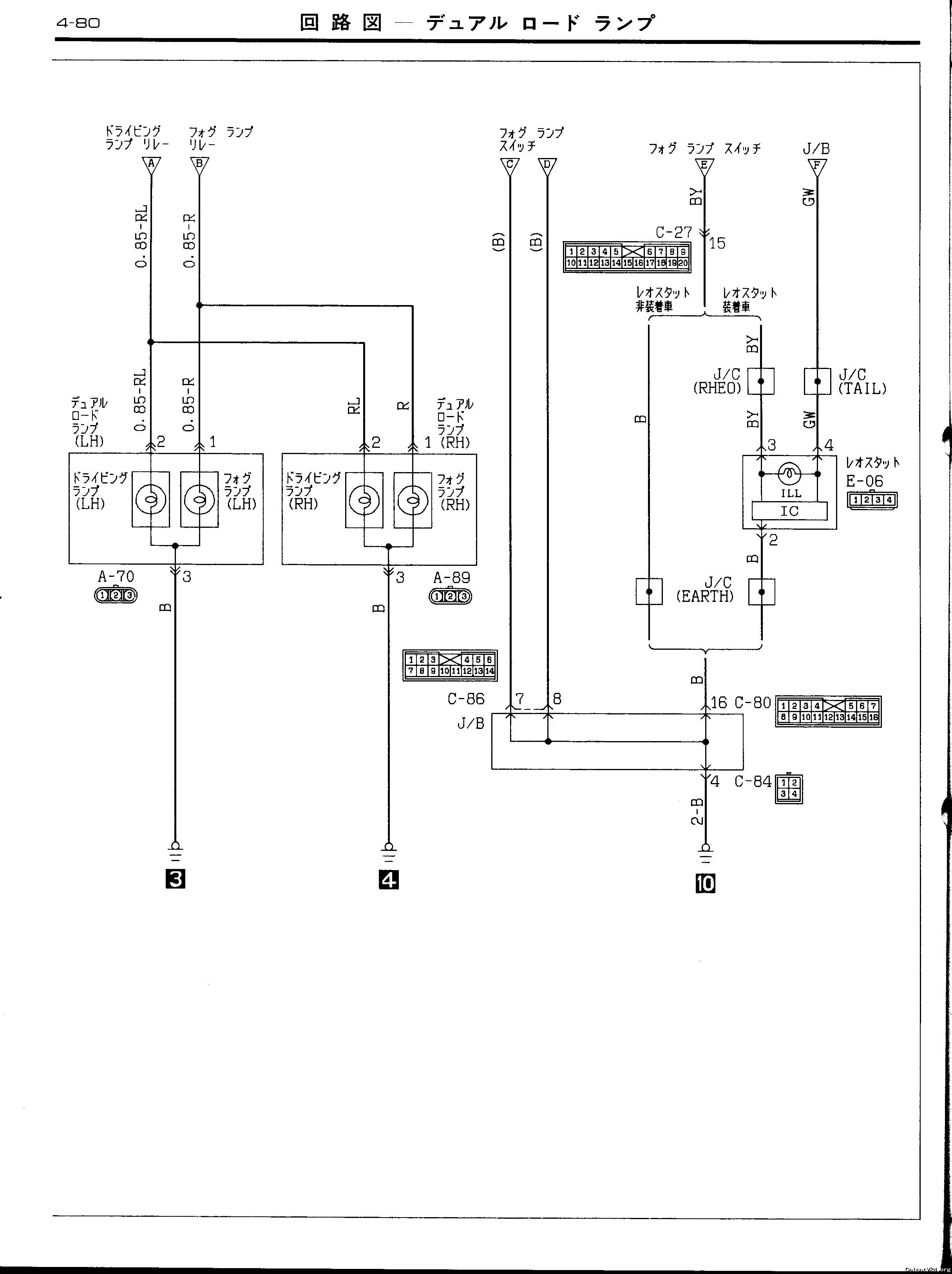
Hi all, Had a little parcel in the mail today. so scanned this for all: Hope this helps. Rich
misterfixit Well-known member Joined Aug 4, 2004 Messages 1,610 Location Midlands, UK Jun 28, 2010 #1 Hi all, Had a little parcel in the mail today. so scanned this for all: Hope this helps. Rich