The Top Mitsubishi Galant VR-4 Resource

Join the best E39A 1991-1992 Mitsubishi Galant VR-4 community and document your GVR4 journey. Login to browse without most ads.

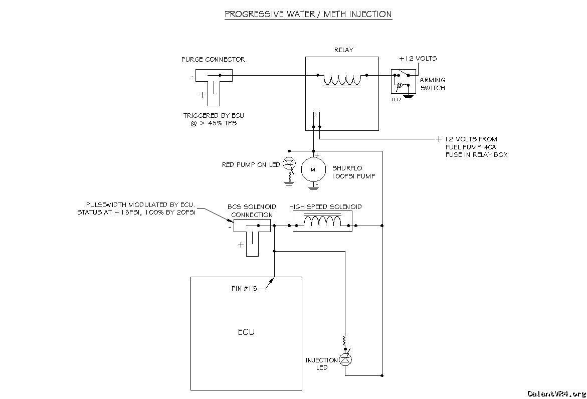
Progressive water/meth injection diagram

mikus

Well-known member
Joined
Jan 11, 2007
Messages
2,763
Location
Aurora IL
...from #1886/2000. Posting seemed like a safe place to keep it, and maybe it helps somebody.

 

JNR

Well-known member
Joined
Apr 23, 2004
Messages
9,842
Location
ca
Print to jpeg (plotter) and you can have a white background and black lines/text, etc...it would be more print-friendly /ubbthreads/images/graemlins/smile.gif
 

Hertz

Staff member
Joined
Jul 29, 2002
Messages
13,501
Location
Chicago, IL



So are you using custom ECU code to run this, or are you suggesting that it works out of the box, as illustrated?
 

Hey, that's trademarked! /ubbthreads/images/graemlins/devil.gif /ubbthreads/images/graemlins/grin.gif
 

mikus

Well-known member
Joined
Jan 11, 2007
Messages
2,763
Location
Aurora IL
custom program... maybe Jeff starts selling "stage 4"? No wait, "stage IV", IV, injection, get it...
 

It was custom code that I wrote just for #1886. I used the $150 Aquamist highspeed solenoid. /ubbthreads/images/graemlins/jawdrop.gif
I wanted to have something with variable rate water injection, so I setup the code to start injecting at ~50% duty at 15psi, ramping up to 100% by 20psi, if I recall.
 
Support Vendors who Support the GVR-4 Community
Boosted Fabrication ECM Tuning ExtremePSI Fuel Injector Clinic Jacks Transmissions JNZ Tuning Kiggly Racing Morrison Fabrications RixRacing RockAuto RTM Racing STM Tuned

Recent Forum Posts

Top