The Top Mitsubishi Galant VR-4 Resource

Join the best E39A 1991-1992 Mitsubishi Galant VR-4 community and document your GVR4 journey. Login to browse without most ads.

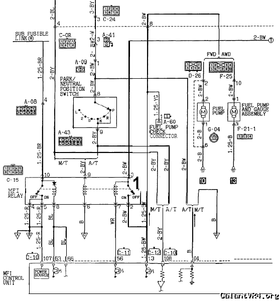
fuel pump power RTH

icurunnin

Well-known member
Joined
Nov 20, 2006
Messages
1,668
Location
Fort Worth Tx
big thanks to John/toybreaker for the telephone tech support.
it seems nothing was ever wrong with my setup to begin with. I was expecting to get a fuel pump prime for a few seconds which I was not getting. come to find out John informed me that our cars do not have this feature so I was chasing a ghost.
 
Support Vendors who Support the GVR-4 Community
Boosted Fabrication ECM Tuning ExtremePSI Fuel Injector Clinic Jacks Transmissions JNZ Tuning Kiggly Racing Morrison Fabrications RixRacing RockAuto RTM Racing STM Tuned

Recent Forum Posts

Recent Classifieds Listings

Top