The Top Mitsubishi Galant VR-4 Resource

Join the best E39A 1991-1992 Mitsubishi Galant VR-4 community and document your GVR4 journey. Login to browse without most ads.

My car turns over strong but wont start? Cam pos. sen?

TOM

Well-known member
Joined
Jan 17, 2007
Messages
94
Location
YAKIMA WA
I used a test light on the injectors and one side of eatch one lights it up. Do i need to test for 12volts or is the test light ok to use? What is a noid light and how do you use it?
 

turbowop

Well-known member
Joined
Apr 29, 2001
Messages
11,989
Location
Yakima, WA
Dammnit I wish I had more time to come give you a hand, Tom. Work is brutal lately with me having to go out of town during the whole week.
 

SSGdave

Well-known member
Joined
May 31, 2011
Messages
137
Location
San Diego, CA
injector connectors/connection???
ive seen cars with an abundance of corrosion on the injector prongs and the connector. cause rough idling or no start.
 

grocery_getter

Well-known member
Joined
Jun 20, 2004
Messages
1,225
Location
Kent - industrial suburbs of Seattle, WA
Noid light connects the two legs of the injector with a light in the middle of it. When you test crank the injector, if everything is good the noid lights would blink on everytime the ecu grounds the injector. The ecu grounds the injector during its operation. Thats how it is opening and closing the injector. Its great that the test light lights up one of the leg. I like to use a multimeter to make sure i am getting good battery voltage on one leg of the injector with the key on ON. You probably have bad injector controller in the ecu. The ecu didn't ground the injector to open them up.
 

Adorsey

Well-known member
Joined
Apr 22, 2009
Messages
355
Location
mass
Power transistor die? Check the volts at each injector an see what's good, if its dead it'll sound like its running on two cylinders
 

TOM

Well-known member
Joined
Jan 17, 2007
Messages
94
Location
YAKIMA WA
I used the noid light and all of them seam fine...they all blink when I crank the car over, How do I test the fuel pump? I did take the line off the fuel line and cranked it over and it will pump gas out the line....that mean its working right? How do I use the jumper wire up by the brake master cyl.?
 

turbowop

Well-known member
Joined
Apr 29, 2001
Messages
11,989
Location
Yakima, WA
If it's pumping out fuel when cranking the car, the fuel pump is working. Tow that thing to my house and I'll work on it when I get a chance. /ubbthreads/images/graemlins/grin.gif
 
Last edited:

TOM

Well-known member
Joined
Jan 17, 2007
Messages
94
Location
YAKIMA WA
Now the car is giving me a ce. light and it looks as if it blinks 4 long and 1 short and I think that means injectors. I did unplug them to test them, would that have made the light blink? what should I test now? can I pull the injector off the rail and see if it sprays out gas?
 

DR1665

Well-known member
Joined
Oct 19, 2005
Messages
4,643
Location
Iowa City, IA
Definitely something electrical afoot with this one.

Once and for all, CAS has nothing to do with fuel pump operation while cranking. Period. MFI relay has multiple coils and will trigger the pump to prime the system during cranking even with the ECU sitting on the roof of a gutted Eclipse on the other side of the garage. (Ask me how I know this.) For the OP, there's a really easy way to test this for yourself. Disconnect the CAS and re-test. If you get fuel at the rail, it's pretty obvious, isn't it?

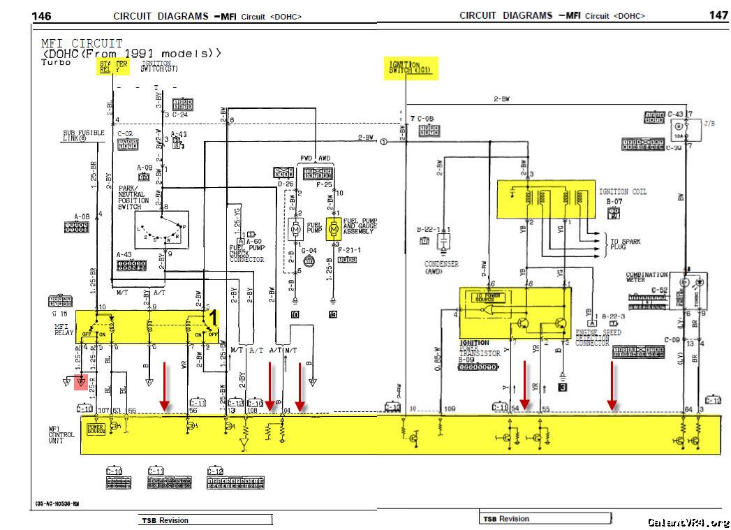
Here's a spliced together screenshot of pages 146-147 from the FSM hosted here on the site under "Library." CKP/CAS are referenced on page 148, as referenced by the little red box lower left directing to schematic connector B. And, also worth noting, dotted lines across the MFICU represent multiple connections to/from same device (thus removing CAS from the equation).



Just saying.
 

toybreaker

iconoclast
Joined
Apr 30, 2006
Messages
3,581
good post Brian!

There's some good posts in this thread, but there's also some wild ass "guesss".



Since it runs on starting fluid, that pretty much gives most of the usuall suspects a pass.

One thing that jumps out is the post about sparks coming from the coil terminal area. That should be investigated thoroughly, and if you have any questions about coditions there, post a pic or two. The terminals down isnide the platic towers should be clean and dry with no traces of burning or carbon dust.

Since it passed Andre's noid light test, I thin a very valid test would be to power the pump up artificially and see if she'll run. That can be doe with dsmlink and some logger setups. It can aslo be doen with the fuel pump test wire that hangs out over by the brake booster.

A fused jumper wire can be run over to the batttery postive termoinal to energise the pump.


If she runs then, it may very well be the ecu can't pull the relay on. Many times the ecu's suffer acid damage some before the caps were repllaced, and it's just now showing up. The residual acid will eat at the board for years if it's not correctly removed/neutralissed. A quick test by substituion of known good ecu will tell that tale.

At any rate, good luck with the troubleshooting, and if you get stuck, don;t hesititate to post up any new questions.

*might be a good idea to stock up on a beer that TurboWop likes so he'll come over and take a look! He's got these cars pretty well figured out and can probably have it purring down to the liquour store in short order.
 

TOM

Well-known member
Joined
Jan 17, 2007
Messages
94
Location
YAKIMA WA
I took the fuel line off at the rail and tryed the jumper wire and the pump wont turn on, but when I try and start it it slowly pumps out gas? I will put a pump in it and see what happends
 

TOM

Well-known member
Joined
Jan 17, 2007
Messages
94
Location
YAKIMA WA
Ok the jumper wire did work but I can put my finger over the end of the fuel line and stop the flow with ease.....should I be able to do this? I would think a 190 pump would pump out alot of gas but mine seams real slow and no pressure.
 

gramkrakr89

Well-known member
Joined
Jan 25, 2010
Messages
308
Location
Bunker Hill, WV
...maybe check the pump fittings inside the gas tank? No/low fuel pressure with the pump running sounds like a pressure leak somewhere.
 
Support Vendors who Support the GVR-4 Community
Boosted Fabrication ECM Tuning ExtremePSI Fuel Injector Clinic Jacks Transmissions JNZ Tuning Kiggly Racing Morrison Fabrications RixRacing RockAuto RTM Racing STM Tuned

Recent Forum Posts

Recent Classifieds Listings

Top