Kenny_Kline
Well-known member
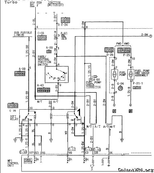
Long story short, I am having a problem with my MPI relay and/or wiring. I am going to try to put in a new relay and see what that does but in case that doesnt work, I am going to end up testing each wire to figure out what one is making my car act up. My car is not driveable at this time as it needs fuel injectors so running condition is unkown.
Here are the videos that will describe the issues I am having:
First video is with ecu plugged in, mpi relay plugged in, everything plugged in except for fuel pump. Second video is everything plugged in as described but this time, MPI relay unplugged.
Here are the videos that will describe the issues I am having:
First video is with ecu plugged in, mpi relay plugged in, everything plugged in except for fuel pump. Second video is everything plugged in as described but this time, MPI relay unplugged.










