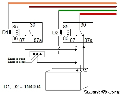
For anyone that wants to wire up JDM power folding mirrors, here's you do it. First you need four relays, a dual momentary switch and at least 7 rolls of different color wires. You will be pairing up the relays and wiring them like this:
OPEN
30 to brown wire on mirror
85 to orange wire on mirror
86 momentary switch
87 12volt positive constant
87a ground
CLOSE
30 to red wire on mirror
85 to green wire on mirror
86 momentary switch
87 12volt positive constant
87a ground
Once you have wired both pairs of relays you can connect the two wires from the open relays that go to the switch and the two from the close relays that go to the switch. Most momentary switches ave three terminals. The open pair of wires go to one side and the close pair of wires goes to the other. The center terminal on the switch gets 12volts positive constant. Doing the wiring like this will make the mirrors one touch open and close.
Jose......
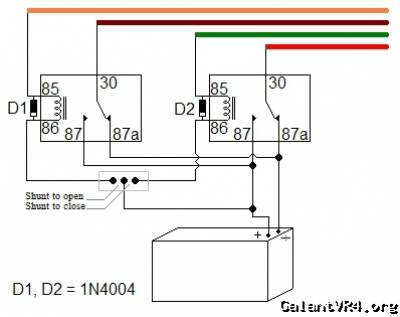
OPEN
30 to brown wire on mirror
85 to orange wire on mirror
86 momentary switch
87 12volt positive constant
87a ground
CLOSE
30 to red wire on mirror
85 to green wire on mirror
86 momentary switch
87 12volt positive constant
87a ground
Once you have wired both pairs of relays you can connect the two wires from the open relays that go to the switch and the two from the close relays that go to the switch. Most momentary switches ave three terminals. The open pair of wires go to one side and the close pair of wires goes to the other. The center terminal on the switch gets 12volts positive constant. Doing the wiring like this will make the mirrors one touch open and close.
Jose......











