Hertz
Staff member
I've been observing a consistent decrease in charging system voltage over the past couple weeks. It definitely loses voltage over time (giving about 13.5 at startup, but 12.5 or less after 30 minutes).
I found that I have a leak at the downpipe gasket that is blasting the alternator with hot air. Luckily I made a heat shield when I installed this alternator, but it has suffered, and I'm sure the radiant heat was enough to start cooking the alt.
There is some definite corrosion/heat damage at the alternator and I'd like to do some rewiring, but even after reviewing the schematics, I'm still unsure of which terminals are what.
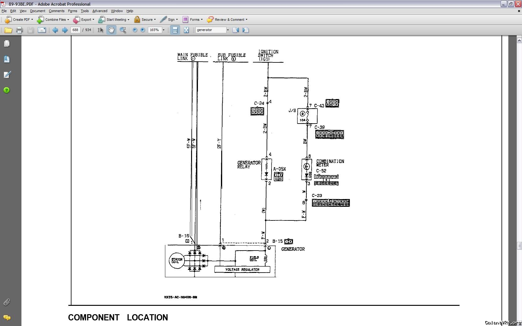
The schematic indicates three wires, B, S and L. B is apparently the post connector, S and L are the plug. If I understand correctly, of the S and L, one goes through the ingnition, the other straight to the fusible link.
Okay, so what is B?
Better yet, which of these terminals B or S&L can I add some wire to in an attempt to possibly get better voltage?
Thanks in advance,
-Ryan
I found that I have a leak at the downpipe gasket that is blasting the alternator with hot air. Luckily I made a heat shield when I installed this alternator, but it has suffered, and I'm sure the radiant heat was enough to start cooking the alt.
There is some definite corrosion/heat damage at the alternator and I'd like to do some rewiring, but even after reviewing the schematics, I'm still unsure of which terminals are what.
The schematic indicates three wires, B, S and L. B is apparently the post connector, S and L are the plug. If I understand correctly, of the S and L, one goes through the ingnition, the other straight to the fusible link.
Okay, so what is B?
Better yet, which of these terminals B or S&L can I add some wire to in an attempt to possibly get better voltage?
Thanks in advance,
-Ryan











