i'm looking for anything about setting of the fuel idle variable resistor for the non-catalytic models...
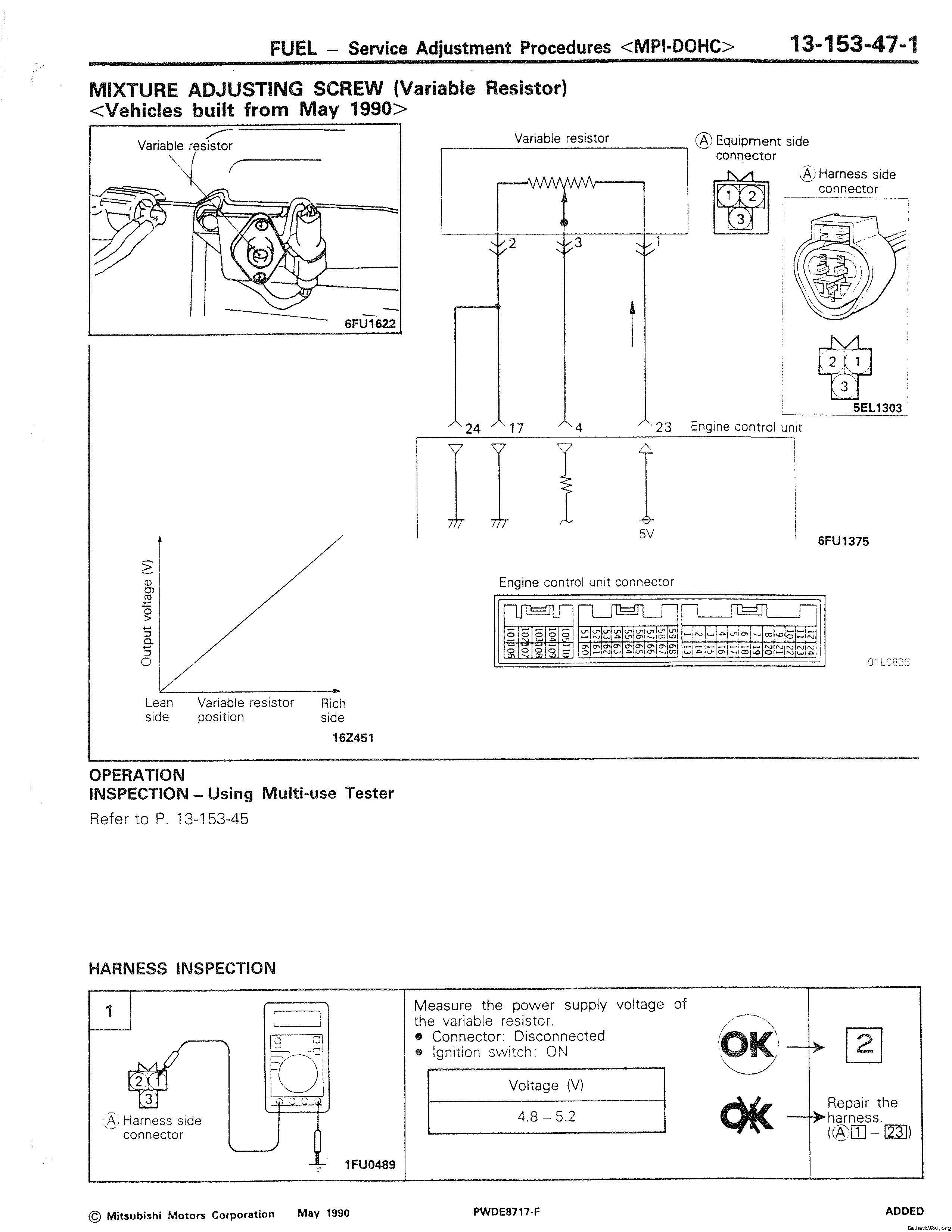
this variable resistor is used in place of the o2 sensor.
it's got three wires, one to 5V, one to a pin of the IAT and another to pin 4 [which is also the o2 sensor pin in cat'd engines].
anybody got anything?
thanks in advance...
this variable resistor is used in place of the o2 sensor.
it's got three wires, one to 5V, one to a pin of the IAT and another to pin 4 [which is also the o2 sensor pin in cat'd engines].
anybody got anything?
thanks in advance...











