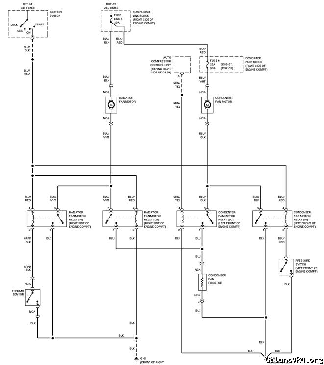
When I pull my radiator, I only have one harness that I need to disconnect. Is this connector for the radiator fan or should there be a separate harness for the fan switch?
I see another connector closeby that isn't connected to anything. I always thought it was for my fogs, but now I am starting to wonder if its for the radiator fan.
Yet, my fans turn on. Is there something else that can turn my radiator fans on when it gets hot because they do eventually get turned on.
Finally, do I have to pull the radiator to see/connect the radiator fan switch? I am sick of pulling the radiator all the time. I really am.
Thanks!
I see another connector closeby that isn't connected to anything. I always thought it was for my fogs, but now I am starting to wonder if its for the radiator fan.
Yet, my fans turn on. Is there something else that can turn my radiator fans on when it gets hot because they do eventually get turned on.
Finally, do I have to pull the radiator to see/connect the radiator fan switch? I am sick of pulling the radiator all the time. I really am.
Thanks!
Last edited by a moderator:











